网站首页
公司介绍
企业介绍
组织架构
企业荣誉
领导关怀
新闻动态
公司新闻
政策要闻
党建工作
组织架构
党建阵地
党群活动
工青妇
荣誉鼓励
信息公开
水质检测报告
环境信息公开
职位招聘
通知公告
乐竞(中国)一站式体育服务
电话地址
意见箱
总经理信箱
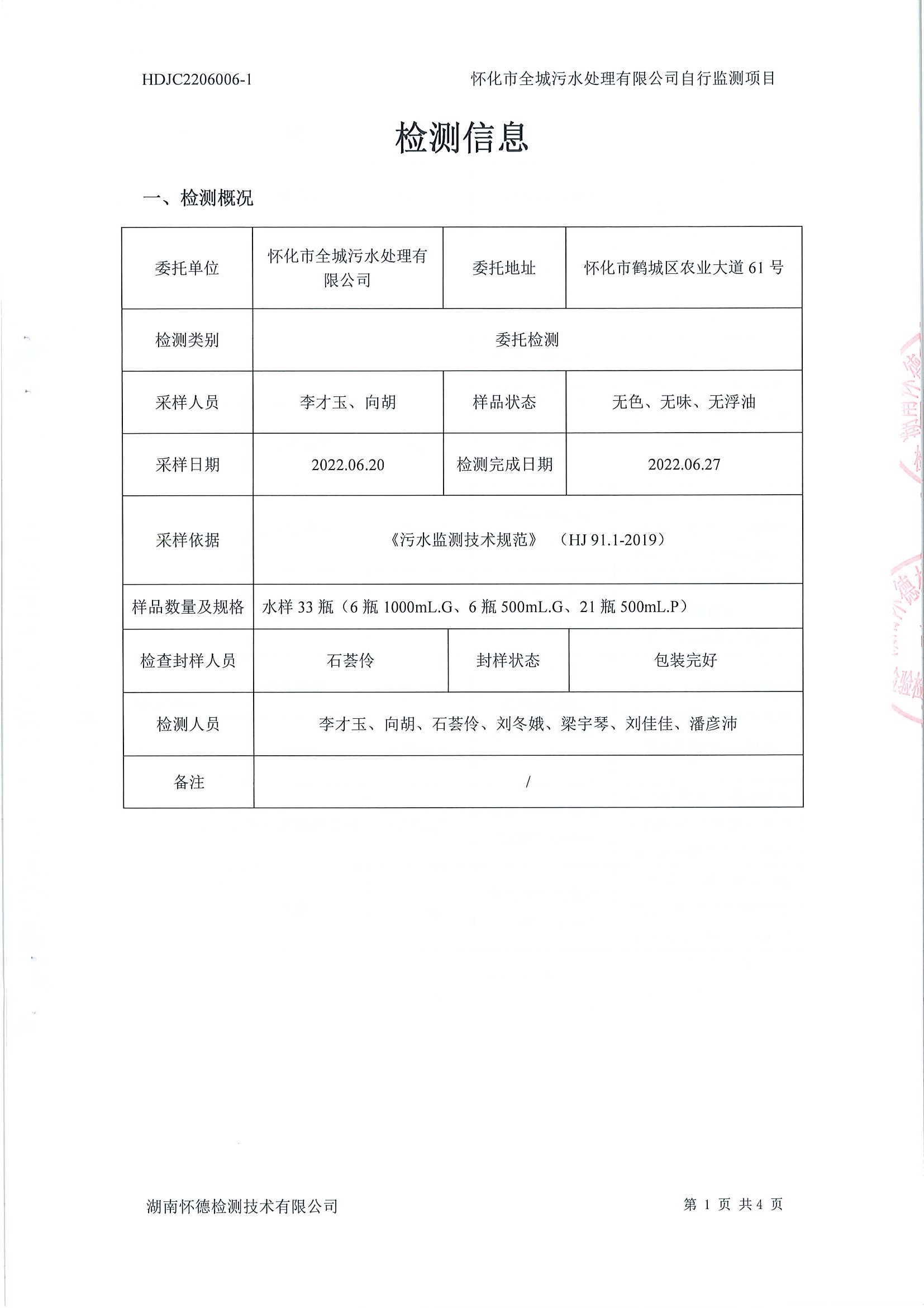
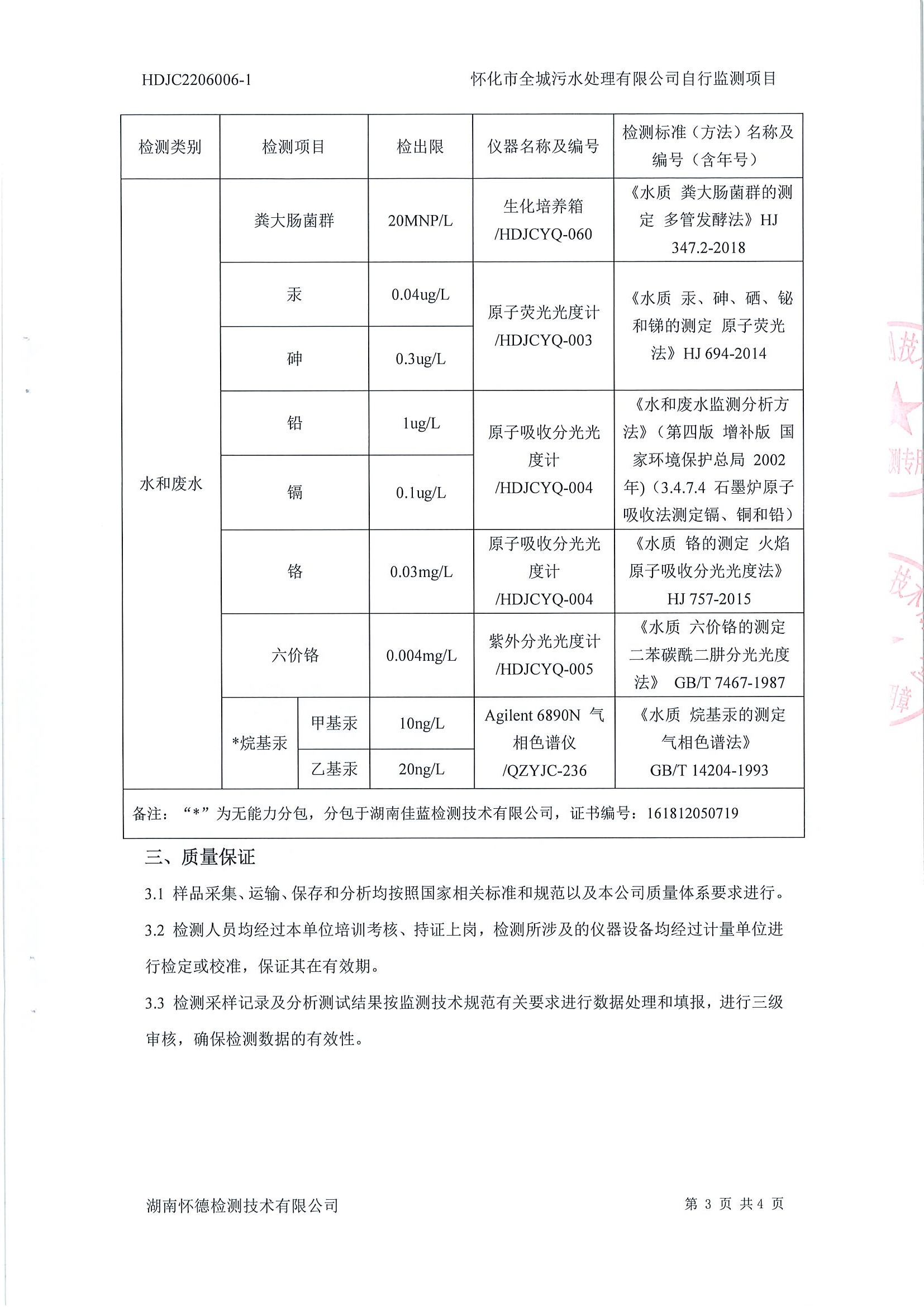
怀德检测 2022年6月 污水检测报告
2022-07-04 11:33:57
上一篇:
湖南怀德检测技术有限公司 2024年12月 污水出水检测报告
下一篇:
怀德检测 2022年5月 污水检测报告
华体会官方网页版
|
开云足球
|
星空官方版网站登录入口
|
乐动在线
|
中国·开云
|
开云手机站官方版网站登录入口
|
乐动在线
|
星空网
|
完美(中国)体育官方网站
|